OVERVIEW
This document describes the setup and operation of an idle stepper motor in MoTeC M1 Packages. It does not describe the full idle control system of the M1 ECU.
WHAT IS A STEPPER MOTOR?
Stepper motors are a form of motor where a screw thread moves a plunger further into or out of the idle circuit to decrease or increase idle bypass air. The motor is “stepped” through its range of movement so the motion is not a smooth, continuous turning like a servo motor in a Drive by Wire throttle. When the motor is not being driven it will remain in the position to which it was last controlled; there is no spring return. The stepper motor has two sets of coils that are alternately energized to “step” the motor one step each time. The motor can be stepped in both directions making it useful for idle control.
There are two general types of stepper motors that can be identified by the number of pins: firstly the General Motors style with four pins and secondly the Japanese style with 6 pins. Both stepper motors essentially work the same way. The six wire has additional power supply wires but the same number of control wires.
WHAT IS NEEDED?
All stepper motors require two full bridge outputs to run, meaning four wiring connections for the ECU control. Each Bridge Output consists of two matched Half Bridge Outputs. Therefore, normal Low Side Outputs cannot be used for this type of motor. The relevant pins on the M1 range of ECUs are shown below. A Bridge Output is made up of a Bridge Positive and a Bridge Negative. For example, the M130’s Bridge Output 3 is made up of pins A33 (Half Bridge Output 5) and A34 (Half Bridge Output 6).
| M130 | M150 | M170 | M190 | M122 | M14x | M18x | |
| Bridge 1 + | A1 | C1 | A8 | BB | C1 | C1 | BB |
| Bridge 1 - | A18 | C18 | A9 | BA | C18 | C18 | BA |
| Bridge 2 + | A32 | C32 | A65 | BD | C32 | C32 | BD |
| Bridge 2 - | A31 | C31 | A59 | BC | C31 | C31 | BC |
| Bridge 3 + | A34 | C34 | A64 | BF | C34 | C34 | BF |
| Bridge 3 - | A33 | C33 | A58 | BE | C33 | C33 | BE |
| Bridge 4 + | B21 | BP | B21 | B21 | BP | ||
| Bridge 4 - | B20 | BR | B20 | B20 | BR | ||
| Bridge 5 + | B2 | BM | B2 | B2 | BM | ||
| Bridge 5 - | B1 | BN | B1 | B1 | BN |
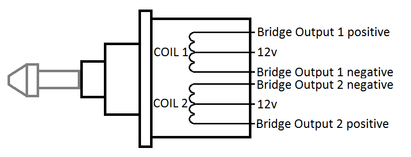
Four Wire Stepper
Wiring of the four wire stepper motor must be done to suit the two separate coils. Below is a simple diagram for a common General Motors style stepper motor. Four wire stepper motors can have a few different pinouts so it may be necessary to work out the coil pairs with a multimeter before wiring is attempted.
Determining how the coils are wired is a simple matter of using a multimeter to find the pin pairs that have the same resistance. On a GM style stepper motor, coil 1 and coil 2 will have the same resistance and there will be no connection between the two coils.
Six Wire Stepper Motor
As with the four wire stepper, there are two coils in a six wire stepper motor but there is also a power supply to each of the coils. On some six wire stepper motors, the two 12v wires may internally be connected, so care must be taken when using a multimeter to determine which pins are connected to the coil sets. Please contact MoTeC for further information regarding the configuration of these Stepper Motors if required.
The 12v connection is not essential to the operation of the stepper motor as the MoTeC outputs are full bridge outputs and can switch both high side and low side. If the stepper motor has six pins, however, it is recommended that they be connected to the 12V+ ECU Supply.
OPERATION
The following conditions must be met for idle control to activate:
• Idle State must be Enabled.
STEPPER MOTOR CONFIGURATION
Stepper Motor Basic Settings
The set up for the idle stepper motor can be found on the Idle Actuator Worksheet in the Engine Systems Workbook. Set the Idle Actuator Stepper Phase A Resource and Idle Actuator Stepper Phase B Resource. The Phase A and Phase B refer to the two coils in the stepper motor. Idle Actuator Solenoid Normal Output Resource should be set to Not in Use.
Set the Idle Actuator Stepper Reference Voltage, Idle Actuator Stepper Hold Voltage and Idle Actuator Stepper Frequency to the settings below. These settings should be suitable for all automotive idle stepper motors without causing any unnecessary heating of the stepper motor.
The idle stepper motor function of the M1 ECU will step the motor at a maximum of 200 steps per second. The speed at which the idle system reacts and moves the stepper motor is ultimately controlled by the Idle Mass Flow Integral Gain and the Idle Mass Flow Proportional Gain. The tuning of the idle actuator system should mainly concentrate on these parameters. If it is found that the reaction on the system needs to be further slowed down, e.g. the idle actuator system is much bigger than required for the engine, the step rate can be reduced by the Idle Actuator Stepper Divider.
It is highly recommended that, to start with, the Idle Actuator Stepper Divider is set to 1. Any change in stepper divider setting should be small, e.g. 2, 4, and not large numbers like 10, 20, 100. The stepper divider number is a divisor for the 200 steps per second default rate, so a stepper divider number of 2 will halve the step rate (100 steps per second) and this will have a significant effect on the idle actuator function’s response rate.
Stepper Motor Position Calibration
The M1 ECU is able to calculate the stepper motor’s position with accuracy, making tuning of the idle system easier. To achieve good position control, the ECU needs to know the number of steps the motor is able to move, from complete open to complete close. Set up the Idle Actuator Stepper Maximum with a starting value of 250.
With the engine stopped, the Engine Crank Idle Mass Flow can be changed from 0% to 100% to make the stepper motor move through its maximum step range.
By changing this number from 0-100% and back again, the direction of movement should be established first. The stepper motor may need to be removed from its mount to see this, or, blowing through the idle air bypass may reveal if more or less air is going through. At 100% the stepper should move to a more open position, while at 0% the stepper should move to a more closed position. If the motor is moving in the wrong direction, it is a simple matter of reversing the Phase A and B resource allocation.
Once the motor is moving in the correct direction, the Engine Crank Idle Mass Flow can again be cycled between 0% and 100%. When the stepper motor reaches its end of travel, opening or closing, the noise will change, indicating that it is being over stepped. If it is being over stepped in both directions the Idle Actuator Stepper Maximum can be reduced. If the motor is not reaching the ends of travel, the Idle Actuator Stepper Maximum can be increased. It is always better to have the Idle Actuator Stepper Maximum a few steps less than it needs to be rather than a few steps more, so care should be taken with this setting.
Home Overstep Positioning
The Idle Actuator Stepper Home Overstep parameter is designed to make sure the idle stepper position is correctly reset each time the ECU is powered.
As the ECU is powered, the stepper motor will be automatically moved to the fully open position based on what the ECU remembers as its last known position, plus the home overstep amount to make sure the calculation is definitely starting from the correct, fully open position. This process may take 2-3 seconds but should not affect engine starting. Once the home position is established, the stepper will be moved to the Engine Crank Idle Mass Flow position. The Engine Crank Idle Mass Flow is the percentage of the motor’s step range it will be moved to on cranking. Full closed loop idle control is not started until the engine has fired and the Engine State has changed from “Crank” to “Run”.
Once the engine is running, the home overstep feature is not used.
Stepper Motor Test
To test the stepper motor operation, the Engine Crank Idle Mass Flow setting can be changed and the position of the stepper observed on a time graph with the Idle Actuator Stepper Position. An Engine Crank Idle Mass Flow number of 100% will move the stepper motor to the maximum number of steps set in Idle Actuator Stepper Maximum. An Engine Crank Idle Mass Flow number of 0% will move the stepper motor to a position of 0 steps. Any other number will result in the stepper motor moving to that percentage of the Idle Actuator Stepper Maximum setting. For example, 75% Engine Crank Idle Mass Flow and an Idle Actuator Stepper Maximum of 200 will move the stepper to 150 steps.
It is a good idea to test this a few times to make sure the stepper motor is not being overstepped to reach the fully open and fully closed positions.
Comments
0 comments
Please sign in to leave a comment.